激光焊接金属接头表征的实验技术
本文概述了用各种显微和X射线衍射技术制备冶金检验所用焊接接头样品的方法。此外,也涉及鉴定焊接接头的多种破坏性试验方法(如拉伸试验、冲击试验、弯曲试验和硬度试验)和非破坏性方法。
全文摘要:
在类似不锈钢和不同不锈钢-钢组合的激光焊接研究项目中成功焊接对接接头,并利用计算模型对操作参数进行不断优化。本文致力于研究焊缝的微观结构,并研究机械性能以鉴定焊缝。本文概述了用各种显微和X射线衍射技术制备冶金检验所用焊接接头样品的方法。此外,也涉及鉴定焊接接头的多种破坏性试验方法(如拉伸试验、冲击试验、弯曲试验和硬度试验)。从理论和实践的角度回顾了无损检测的x射线和超声波探伤仪技术,利用这些技术可以高精度地检测激光焊接试样的内部缺陷。

▲图0 Graphical abstract
1.介绍
在各种工业需求中,焊接不锈钢以及将不锈钢焊接到钢接头上应用广泛。然而,这些结构钢的化学成分元素——如碳、磷和硫以及碳当量显著影响这些材料的焊接能力。然而,已经证明使用高功率密度激光源代替传统的焊接方法可以容易地焊接不锈钢和钢。激光束的低热量输入和高冷却速率使得受固态相变影响的窄焊缝和热影响区内形成硬而脆的马氏体相。焊接接头微观结构的这些变化直接影响了其机械性能。因此,需要通过各种破坏性和非破坏性试验(NDT)对焊接接头从平衡状态到非平衡状态的转变进行深入了解。
2.金相技术
2.1.焊接过程样品材料的准备
焊接材料广泛应用,其焊接输入和输出性能的知识也渐为人所知。这些材料在工程应用中最受欢迎,例如汽车、简单结构部件、机床夹具、制药设备、化学容器、真空容器、发电厂等。可以用电火花(Electric discharge machining, EDM)切割制备光滑表面的钢样品——这对于自生对接焊缝是非常可行的。焊接样品的表面必须没有污垢、油漆、油和氧化物,因此每个样品在焊接前都要用丙酮清洗。
2.2.酸洗(Pickling)
利用酸溶液去除钢铁表面上的氧化皮和锈蚀物的方法称为酸洗。是清洁金属表面的一种方法。通常与预膜(pre-passivating treatment)一起进行。
焊接后,此技术可能用于清理焊缝、热痕、退火变色、锈斑、氧化膜和焊缝变色。酸洗膏对人体有害,因此使用时应佩戴空气呼吸器和配备覆盖口鼻的半面罩空气过滤器,应戴手套、护目镜、合适的防护服,避免溢出和飞溅。

▲图1 酸洗 来源:百科
2.3.切片(Sectioning)
手动锯切是切片样品的首选方法,因为这不会产生过多摩擦热改变微观结构。焊接接头可通过手动锯切以合适的尺寸切割,以适合安装单元。所有切削刃的毛刺可以用带有金刚砂片的机器小心地去除。
2.4.安装( Mounting)
选择安装材料和安装技术的首要考虑必须是能保护好样本。安装还必须能抵抗研磨和抛光过程产生的热量所带来的物理变形,并能承受润滑剂、溶剂和腐蚀剂的作用。如今,甲基丙烯酸甲酯(Methyl methacrylate)和 聚乙烯醇缩甲醛(polyvinyl formaldehyde)因为其透明性对于特定缺陷或某特定区域的抛光非常有用,现在变得越来越普遍。树脂和硬化剂等必须仔细测量并彻底混合,倒入装有切片样品的圆柱形模具中。丙烯酸材料需要大约15–30分钟的固化时间。
2.5.研磨和抛光(Grinding and polishing)
一般来说,一小部分样品材料会随着包覆安装铸件一起被硬面去除,以观察特定区域。在硬面处理后、电抛光前,每个样品必须使用抛光机用砂粉进行系统研磨,在研磨过程中用水作冷却剂。之后用金刚石研磨膏实现镜面抛光使其更精细、更光洁,在此过程中将Reflex 24270 用作抛光的冷却剂。只有良好的研磨和有效的抛光才能在恰当的抛光时间内消除磨损。
2.6.电抛光或电解蚀刻
蚀刻是在金相研磨和抛光程序后使用的化学或电解工艺。电解蚀刻是一种包括使用电解质溶液、阴阳两极的金属蚀刻工艺。用于蚀刻的金属接头必须与直流电源的正极连接,以显示接头界面处形成的焊接金属的冶金特征。焊接接头可被视为阳极,电解液则可能会有所不同。如果不同类型的电解溶液需要应用于两个不同的金属区域,那么异质接头的电解蚀刻就相当困难。在这种情况下,一个金属区域蚀刻时,另一个则必须被小心“盖住”。
3.微观研究技术
显微镜是一种能够产生小物体放大图像的仪器。为了研究微观结构,不同的冶金显微镜(如金属、陶瓷和其他材料)得以一显身手。焊接接头的微观结构对B. Hu,I.M. Richardson等人研究的宽范围激光焊接接头的力学性能有很大的影响。因此,了解焊接接头微观结构的基本原理和操作方法是至关重要的。

▲图2 显示AA7075合金上混合激光/GMA焊接微观结构的图像。焊接采用AA5754填充焊丝,焊接速度为80毫米/秒
为了便于大家理解,在此以钢焊接接头为例,将其各种成分的热物理关系呈现在图3中。

▲图3 钢焊接接头各种成分的热物理关系。
为要求苛刻的熔融环境及时开发材料需要先进科学工具,当然也包括先进的结构表征方法。光学显微镜(OM)、原子探针断层分析(APT)、扫描电子显微镜(SEM)、透射电子显微镜(TEM)和X射线衍射(XRD)等尖端成像技术正在用于熔覆材料的研究和开发。例如,通过光学显微镜观察焊缝的表面形态,通过SEM/STEM评估熔池和匙孔中材料的演变,通过能谱仪、XRD和X射线电子能谱仪评估激光切口横截面的成分。
表征技术的原理、结构、操作及其应用较为复杂,本文仅关注专门用于激光焊接接头测试和鉴定的几种表征技术。
3.1.光学显微镜(Optical Microscope-OM)
OM作为基本检查工具,有独特的优势和功能。在J.-H Park,R.V Strain,K.H Leong,D.L Smith等多人的研究中,OM已被用于研究焊缝样品的熔合区表面轮廓、焊缝形貌、热影响区和外部缺陷。光学显微镜的研究环境相对简单,较低的放大倍数即可加快粗颗粒检查,它还可以在没有任何尺寸限制的情况下,以非破坏性的形式检查支架系统。然而,光学显微镜在分辨率、最小聚焦深度和掩盖样品表面特征的光反射方面有其局限性。最近一段时间,一些研究人员为了突破这些局限,利用原子探针断层分析(APT)来取代OM。

▲图4 铝的激光焊接区域的光学显微照片。
3.2.扫描电子显微镜(Scanning electron Microscope-SEM)
扫描电子显微镜已经成为表征各种材料的有力工具,其多功能性和极高的空间分辨率使它们在许多应用中不可或缺。SEM带有自动特征分析软件、能量过滤及电子能量损失谱和亚纳米直径探针能谱,可以提供样品的元素识别和定量成分信息。
如今,可借助二次电子和背散射电子来构建多色图像。与光学显微镜相比,电子束提供的3D图像具有更大的焦深、更高的放大率和非常高的扫描电镜分辨率。电子的宽范围衍射增强了对非常小的特征的观察,而这些特征提供了样品的晶格结构和晶格参数信息。图5和图6显示了SEM的效用——钛合金接头的微观结构分析和通过激光焊接制成的铝接头的失效分析。在样品表面需要特别小心、较慢进行的操作很可能会对样品造成,并且在多点调查的情况下需要溅射涂层。技术人员需要在仅固体样品的高真空下操作扫描电镜。

▲图5 (a)激光束焊接Ti-6Al-4 V的宏观图,(b)热影响区/母材界面(左)和熔合区/热影响区界面(右)的放大显微图。(c)热影响区/基底界面的微观结构。(d)熔合/热影响区界面的微观结构。

▲图6 通过扫描电镜观察到的(当断裂发生在铝基材料的热影响区时的)断裂表面,即断裂铝侧的断面图。
3.3.透射电子显微镜(Transmission electron Microscope-TEM)
SEM和TEM的主要区别在于前者时通过检测反射或撞击的电子来创建图像,而后者使用透射电子(穿过样品的电子)来创建2D图像。因此,相对于提供样品表面及其成分的前者,后者提供了样品内部结构(如晶格结构、形态和应力状态)的多个信息。
TEM用户可以将他们的样品放大5000多万倍,而SEM只能放大100-200万倍,两者差异不可谓不悬殊!在一个被快速计算机和高效电荷耦合器件检测器包围的时代,具有X射线能谱分析(EDS)的TEM和STEM能够在自动安装的过程中反复测量和校正像差,这本质上是一种多维形式的自动聚焦,让图7和图8的3D成像更有可能!由于对透射电子的要求,TEM样品必须非常薄,一般小于150纳米。在某些需要高分辨率成像的情况下,甚至低于30纳米。而对于SEM,没有这样的具体要求。

▲图7 TEM:焊缝中的FeCrNiC奥氏体固溶体枝晶基体:(a)亮场图 (b)在(0 1 -1)晶带轴上的选区电子衍射(SAED,selected area electron diffraction)图。

▲图8 TEM/EDS光谱:焊缝中的Laves粒子: (a)亮场图 (b)在(3 -3 0 -1)晶带轴中的SAED图案,以及(c)相应的EDS结果
3.4.X射线衍射(XRD)
如图8所示,先进的X射线衍射材料表征方法已经随着强同步加速器光源的持续发展发生了“翻天覆地”的变化,其通量和亮度都比传统光源高一个数量级。它有助于局部化学、原子配位、原子间距离、相空间体积、变形行为、晶体各向异性、晶界等。它可用于关于材料特性的3D绘图空间成像方法、研究厚样品3D结构纳米级分辨率的相位对比和相干成像方法,以及实现局部应变、织构、相位分布等无损检测高能实验。
与电子和x射线相比,中子衍射技术的穿透力更强,因此,它使用空间映射技术来确定残余应力和部件的损坏部分,1–10Ȧ级波长适合分析晶格内的原子位置。焊接材料的结构转变行为——如转变顺序和温度,可以通过差示扫描量热仪(DSC)来进行测量。差热分析也有助于研究焊接和包层过程中随温度形成的相变。
4.激光焊接材料的力学性能
焊缝中微观结构决定着焊接部件的性能和可靠性,因此使用特定焊接工艺的可行性主要取决于其产生所需无缺陷微观结构的能力。不同研究人员通过研究奥氏体不锈钢、V-4Cr-4Ti、Al-Fe-V-Si合金、Fe-C-Al-Mn钢、Ti-6Al-4V合金、铝合金、镁合金、镍合金、AA7075、Inconel 718等激光焊接材料的显微组织和相关力学行为。
4.1.硬度试验
硬度测试通常通过将特定尺寸和负载的物体(压头)压入被测材料表面来进行,可通过测量压头穿透深度或通过测量压头留下的压痕尺寸来确定硬度。硬度的变化有助于通过测量焊缝中心线的热影响区来确定热输入的范围。硬度试验有四种类型:布氏硬度试验、洛氏硬度试验、努普硬度试验和维氏硬度试验。

▲图9 硬度试验设备 来源:容大检测

▲图9-1 硬度距焊缝界面距离的函数
4.2.拉伸试验
拉伸试验是一种评估材料强度的重要破坏性试验,包括以恒定的拉伸速率向样品施加拉伸载荷,直至达到其破坏点。塑性变形中的中等应变率10-2/秒可能需要几分钟才能在断裂应力下导致失效。对母材和焊缝金属进行拉伸试验可确定机械性能。此外,拉伸试验非常有助于通过测量焊接接头的总伸长率、面积减少量、弹性极限、屈服点、极限拉伸强度和断裂强度来评估接头强度及其完整性。EN 876/ISO 5178标准是用于熔焊接头中焊接金属纵向拉伸试验的普遍标准。
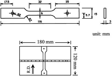
焊接方向、拉伸试样取样方向和试样尺寸示意图如图10所示。图11显示了横向拉伸试验期间的断裂位置,SEM图像显示了基础合金钢42CrMo的拉伸断裂表面。

▲图10 焊接方向和拉伸试样示意图

▲图11 (a)横向拉伸试验期间的断裂位置和(b)合金钢42CrMo基材拉伸断裂表面的扫描电镜图像
4.3.弯曲试验
弯曲试验是一种简单而较低成本的定性试验,可用于评估焊接接头的延展性和牢固性。用于弯曲试验的弯曲试样程序的配置以及焊缝和基材的弯曲性能如图12所示。EN 910/[ISO 5173]是熔焊接头中焊接金属弯曲试验的重要标准。

▲图12 弯曲试验流程
4.4.冲击试验
冲击试验用于确定材料在102/秒的较高应变率和三轴应力状态下的断裂行为。一种广泛使用的标准化试验方法是夏比冲击试验(图13),即带有V形缺口或U形缺口的样品受到缺口后方的冲击。冲击试验有助于测量断裂过程中试样吸收的能量,也用于确定较高变形速度下的材料性能。焊缝和母材冲击试验的配置如图所示。


▲图13 夏比冲击试验示意图和相关数据 来源:材易通
为了确保锅炉、管道和发电厂中的激光焊接接头,多个试验研究了长期强度试验,如蠕变试验和疲劳试验。由于应变非常缓慢(慢到10-6 /秒),这些测试需要很长时间,有时需要几个月到几年的时间。进行这些测试是为了评估样品的耐久性,了解其在在高温重复载荷的情况下的使用极限。
5.内部缺陷测试
5.1.X光射线照相测试
这种焊接测试方法利用了X光管的X光,其穿透通过焊缝到达照相胶片上的辐射,导致物体内部结构的图像呈现在胶片上(如图14所示)。物体吸收的能量取决于其厚度和密度。未被物体吸收的能量会导致射线照相胶片曝光。冲洗胶卷时,这些区域会很暗。暴露在较少能量下的薄膜区域保持较亮。因此,这种射线检测有助于表明焊接接头中存在的各种缺陷,如未焊满、未完全熔透或未熔透、未完全熔合、内部或根部咬边、偏移或不匹配、气孔砂眼以及缩孔。

▲图14 射线照相测试原理
高质图像取决于多因素,如高对比度、良好的清晰度、较少的失真和颗粒感等因素。这些因素可以通过调节操作参数来控制,例如输入电流、曝光时间、丝极到胶片的距离、目标到胶片的距离、聚焦光束的大小、胶片的性质、光源、目标和胶片之间的相对位置。
进行射线检测时,还需要考虑安全。x射线和伽马射线是肉眼看不见的,可能会对健康和安全产生严重影响。只有经过适当培训的合格人员才能进行此类测试。EN 25580/ISO 5580的光密度足以满足所需胶片密度,并被应用于射线照片的检查和评估。
5.2.超声波探伤仪
无损检测技术可在不改变材料物理特性的情况下检测材料内部缺陷。自由体积、内压、衰减、可压缩性、声阻抗和散射等分子相互作用参数为我们提供了纤维素衍生物聚合物和生物物质结构变化的清晰图像。每个超声波检测的一个重要部分是超声波如何在换能器和被测物体之间传递。

▲图15 超声波速度随聚乙二醇水溶液浓度的变化 来源:R. Padmanaban等人的研究
就焊接接头而言,液体渗透试验是一种传统的、成本较低的技术,在检测表面缺陷方面更为灵敏。超声波法是检测内部缺陷的敏感方法之一,在检测厚焊缝缺陷方面具有潜在的优势。缺陷是否存在以及其准确位置可以通过改变超声波传播的性质和方向来确定。扫描速度越快,预测结果越准确。

▲图16 超声波探伤仪及其输出示意图(57)
主要超声波缺陷检验技术如下:
-
数字相关探伤系统比单探头相关探伤系统具有更高的运行速度;
-
-
传统脉冲回波系统--对于检测小的内部缺陷是有效的,但是对于形状和尺寸存在要求;
-
-
声学全息术或相控序列阵列通过成像100%检测不连续性,但是,在实际应用中困难且设备成本高;
-
-
通过衍射进行超声波光谱分析可以检测奥氏体不锈钢中的小尺寸缺陷;
-
-
TOFD超声波衍射时差法可实现高精度高速扫描;
-
-
TOFD剪切波可对缺陷顶端进行精确测量,但是,难以发现不连续性;
-
-
合成孔径聚焦成像技术可发现缺陷

▲图17 各种非破坏性技术的当前应力测量能力示意图,破坏性技术是灰色阴影区域。
6.结论
本综述主要讨论激光焊接接头金相检验的样品制备。讨论了光学显微镜、扫描电镜和XRD技术在激光焊接接头显微组织检测中的意义和有效应用、讨论了焊接接头合格试验方法——如拉伸试验、硬度试验、冲击试验和弯曲试验,以评估标准规范下的机械性能。讨论还包括非破坏性方法(如x光射线照相和超声波测试)以发现焊缝区域可能出现的缺陷和不连续性。
来源:江苏激光联盟
-
- 2023-02-09
- 2023-07-20
- 2022-12-05
- 2022-10-11
- 2023-02-10
- 2022-10-22
- 2023-02-10
- 2021-09-18


