杏林睿光新推2.5kHz及5kHz铒玻璃1535nm人眼安全激光器
杏林睿光一直致力于自主研发各类半导体激光器及微片激光器。近日,经过技术人员不断潜心研发,现发布两款新品——2.5kHz及5kHz的铒玻璃(Er:glass)1535nm人眼安全激光器,新产品已经过-40~65℃高低温测试,满足100℃宽温工作严苛要求,并已得到客户的高度认可。
1535nm激光器通常也被称作为1540nm激光器、1534nm激光器或1.54um激光器(即1.54μm激光器),是一类人眼安全的铒玻璃激光器。杏林睿光最新推出的重复频率为2.5kHz和5kHz的高重频人眼安全激光器,在原有单脉冲能量40μJ@1kHz基础上,采用相同的外形尺寸,经过多轮实验,可实现单脉冲能量大于20μJ@2.5kHz或10μJ@5kHz输出,适用于远距离测距仪、避障雷达、气象雷达等应用需求。

产品实物图

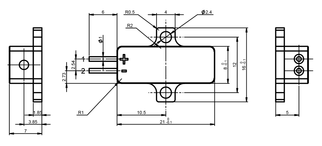
产品尺寸图


光斑形貌&典型脉冲波形

技术参数表
北京杏林睿光科技有限公司成立十余年来一直专注于激光器与激光应用系统的自主研发和产业化,同时肩负为光电产业培养优秀工程人才的使命,已经为分析仪器、医疗美容、雷达测距、激光加工和科研教学等多个领域的客户提供了诸多具有创新性和竞争力的产品。
以上文章内容来自杏林睿光。如涉及作品内容、版权和其它问题,请在7日内与本平台联系(邮箱:2295402121@qq.com),我们将在第一时间给予处理!
-
- 2023-02-09
- 2023-07-20
- 2022-12-05
- 2022-10-11
- 2023-02-10
- 2022-10-22
- 2023-02-10
- 2021-09-18


