激光雷达数据采集原理
光学中我们经常要面对各种各样的原理,今天为大家列举了一份简易清单来了解一下“激光雷达数据采集原理”!

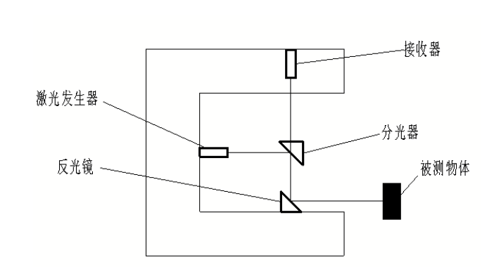
1,激光雷达主要由激光发生器、分光器、反光镜、接收器组成。
2,其测量距离采用时间差的原理,先由激光发送器发出一道激光,激光发出后,经过分光器作用后分成两束,一束直接进入接收器,一束经由反光镜面反射到被测物体上。
3,被测物体将光反射到反光镜面上,反光镜面将光反射到接收器,从反光镜面反射回的光束和直接进入系统的光束有一个时间差值,通过这个差值结合光速即可算出被测物与雷达的距离。旋转反光镜面就可以得到一个角度范围内的测量值,具体原理如下图所示。

4,现在常用的两种激光雷达测距方法为飞行时间测距法(TOF)和三角测距法,TOF利用光速从发出到接收的时间间隔来测量距离,假设发出的激光速度为 v,发出激光到接收的所用时间为 Δt,那么被测物离激光雷达距离为:

5,TOF 测距系统如下图所示,基于 TOF 原理的雷达测距精度高,适应场景广泛,逐渐应用于很多行业。

6,三角测距法利用“小孔成像”原理进行测距,雷达发射一束角度为 α 的激光照射到被测物体上,物体将激光反射回来,线性 CCD 相机接收经过“小孔成像”后的反射光。如下图所示的系统依据三角形的相似来求解被测物体与雷达激光发射点的距离。

雷达与被测物体的距离为 s ,雷达发射点与焦点之间的距离为 h ,而焦点与 CCD 相机的距离为 f ,过焦点作被测物体与雷达连线的平行线,而该平行线与 CCD 相机相交位置在系统中为已知位置,假设该位置到物体在 CCD 相机上的成像位置距离为 x ,所以根据三角形相似可知:

而在直角三角形中有:

所以依据三角形测距原理得到目标与雷达距离为:

在系统中 , f , h , α 都为已知,而 x 是系统中唯一需要测量的量,通过测量 x 的大小便可得到雷达与被测物的距离。
来源:光电资讯
-
- 2023-02-09
- 2023-07-20
- 2022-12-05
- 2022-10-11
- 2023-02-10
- 2022-10-22
- 2023-02-10
- 2021-09-18


